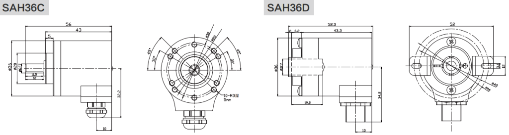
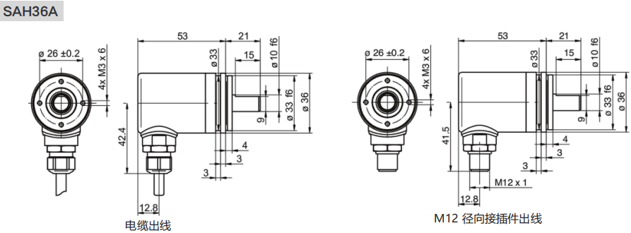
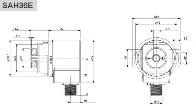
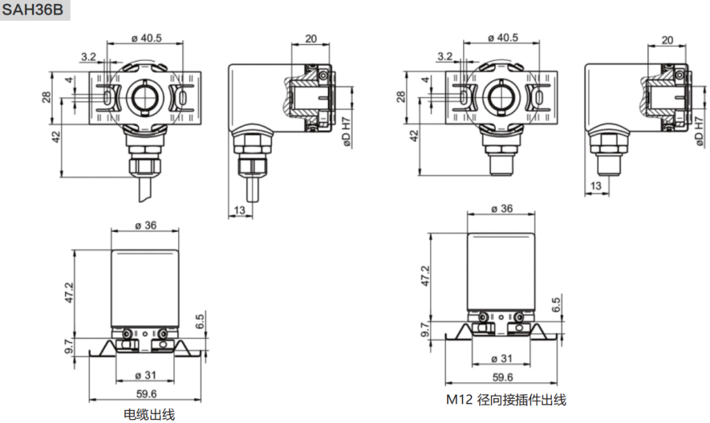
精確的光電感應 >>外形尺寸36mm實心軸型,盲孔型編碼器雙軸承設計、防護等級高達IP67脈沖數最高可達16384P/R特別適合空間狹窄的環境,減小安裝空間具備反短接和短路保護、有效降低安裝錯誤對編碼器造成影響
電話聯系:15050450799(微信同號)
? 昆山西威迪高科有限公司 網站地圖 蘇ICP備14036688號 蘇公網安備32058302003763號