Recently, the consulting superLarge Aperture EncodersThe friend of more. In fact, this product has always been available, so I'm going to take this 135-160mm out today and tell you more about it.
ultra-Large Aperture EncodersMainly used in large motors, traction machines, oil fields, ports, mining machinery and automation industry. These encoders have a pulse count of up to 10,000 P/R and are extremely resistant to interference.
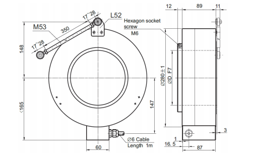
We have this oversized aperture encoder aperture size can do 135-160mm, multiple link out ways. Size chart, we are also in the release of a time, you refer to.
Customization Process
People send their needs directly to our cell phone WeChat, we configure the model according to the actual needs. Or we come to send the selection icon, according to the selection manual to check.
There are fewer of these oversized aperture encoders on the market, and we developed this encoder mainly to make up for the lack of application scenarios. Especially some imported products have been discontinued or procurement difficulties, directly take over the replacement can be.
If anyone needs this product, please feel free to contact and communicate.