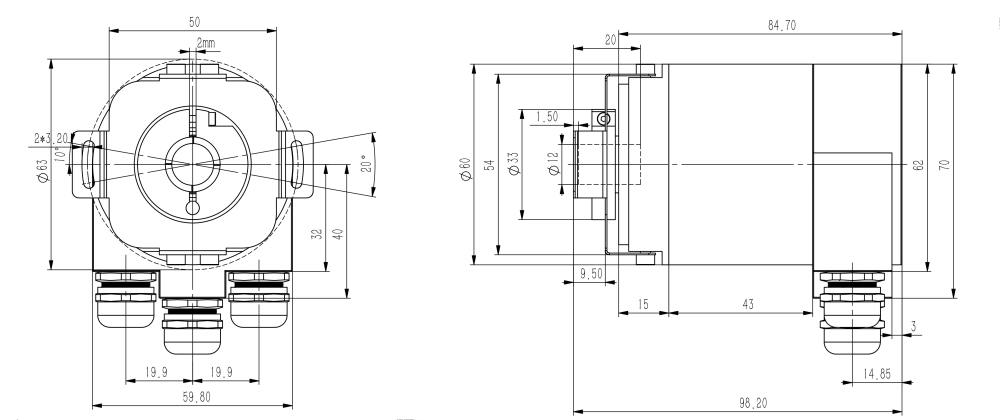
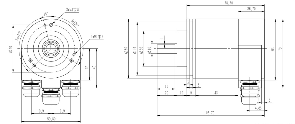
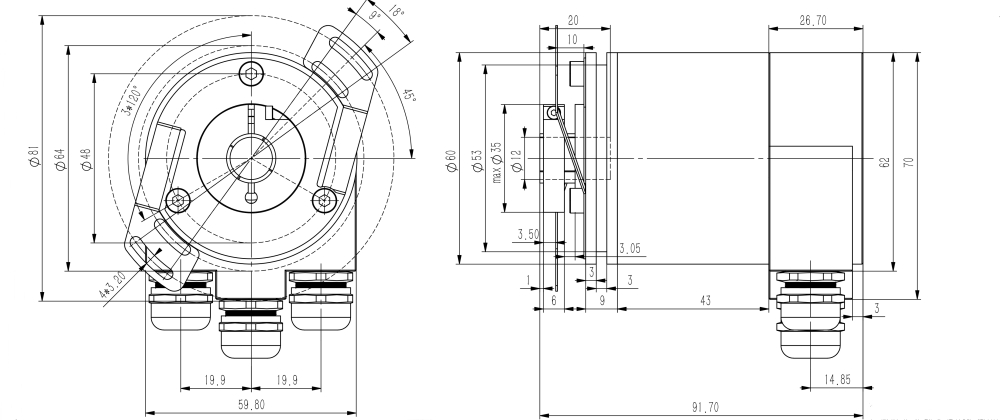
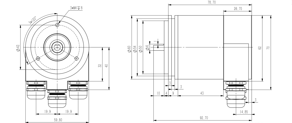
Guarantee 100% localization of every component of the product. Highly accurate magnetic sensing technology, singleturn or multiturn encoders Profibus-DP buses Single-turn resolution up to 19 bits, multiturn up to 14 bits Superior shock and vibration resistance, high protection level: up to IP66 Reverse short-circuit and short-circuit protection to minimize the impact of installation errors on the encoder.