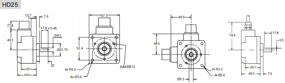
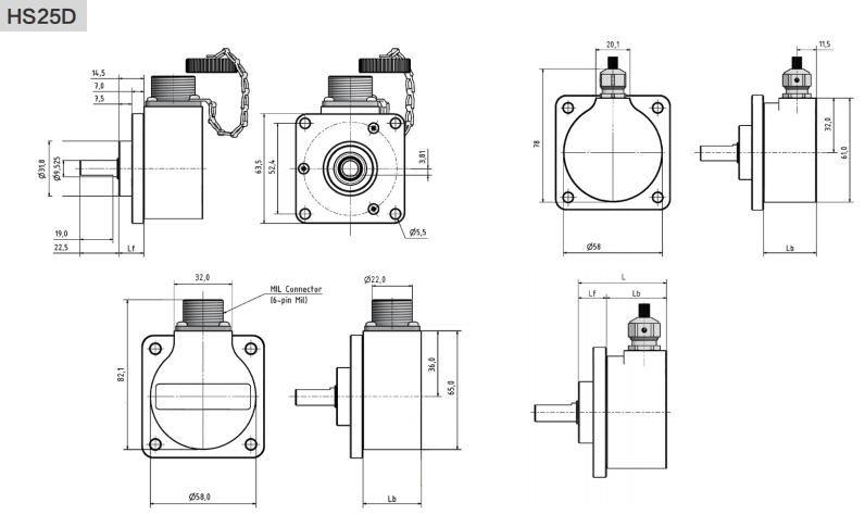
25系列重載堅固的外殼軸型編碼器,防止海水和熱帶氣候陽極氧化鋁或鍍鎳外殼外殼具有防護等級高達 IP68的堅固外殼可防止受到灰塵和液體的污染。用于危險環境的型號通過ATEX認證精確的光電感應或磁式感應技術、電磁兼容性好每圈脈沖數最高可達16384P/R過壓、過流、浪涌沖擊保護堅固的金屬外殼、雙軸承設計、防護等級高達IP68具備反短接和短路保護、有效降低安裝錯誤對編碼器造成影響
電話聯系:15050450799(微信同號)
? 昆山西威迪高科有限公司 網站地圖 蘇ICP備14036688號 蘇公網安備32058302003763號