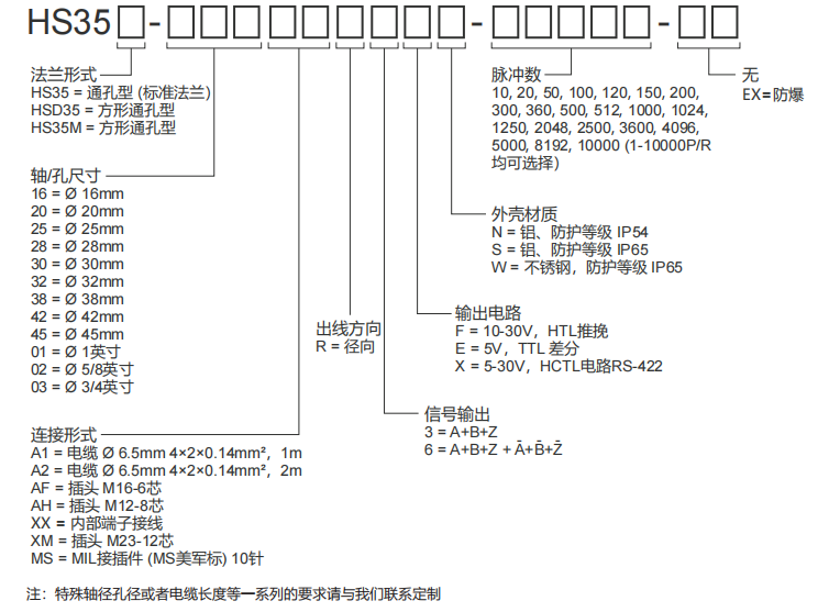
堅固重載型增量編碼器,孔徑最大45mm通孔型編碼器,孔徑可靈活定制脈沖數最高可達10000P/R,超高抗干擾性能高分子光柵,超好的防震性能,防護等級最高達IP66完美應用于各種港口、冶金、礦山、鋼廠、油田和自動化行業,EX 防爆型編碼器
電話聯系:15050450799(微信同號)
? 昆山西威迪高科有限公司 網站地圖 蘇ICP備14036688號 蘇公網安備32058302003763號