采用 高精度磁式感應技術,提供單圈與多圈編碼器解決方案。
支持 SSI接口,時鐘頻率高達 2?MHz,實現高速精確數據傳輸。
可額外增加 增量信號 TTL/HTL 輸出,滿足多樣化控制需求。
單圈分辨率最高達 21位,多圈分辨率可達 14位,保證高精度測量。
擁有 超強抗沖擊與抗振動能力,防護等級最高達 IP68,適應極端環境。
內置 反短接與短路保護功能,有效降低安裝錯誤對編碼器的影響。


| 參數名稱 | SAS/M90A (通孔型) | SAS/M90B (通孔型) |
|---|---|---|
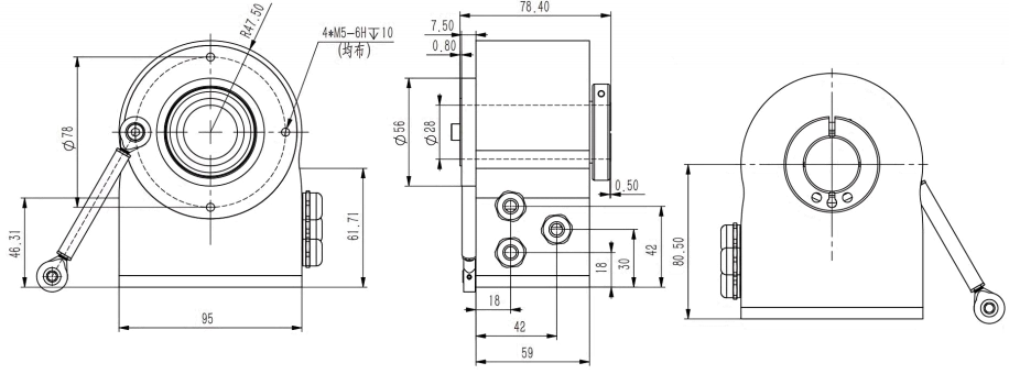
| 主軸尺寸 | ? 10、12、14、15、16、20、25、28mm(28mm孔以內均可定制) | |
| 外殼材質 | 鋁(可選不銹鋼外殼) | |
| 信號輸出接口 | SSI;SSI+增量 | |
| 最大響應頻率 | 2MHz | |
| 啟動時間 | < 1s | |
| 輸出驅動器 | SSI(RS422)/ 增量(RS422) | |
| 功能 | 單圈或多圈 | |
| 電源電壓 | 標準10~30VDC | |
| 單圈分辨率 | 標準為12位4096、13位8192、16位65536、18位262144、最大21位 | |
| 圈數 | 1圈(單圈型)、多圈標準12位4096圈、多圈最大可選14位16384圈 | |
| 功耗 | ≤ 1.5 W | |
| 接口周期時間 | ≥ 16 μs | |
| 手動功能 | 旋轉方向、清零 | |
| 編碼 | 格雷碼或二進制碼 | |
| 時鐘輸入/速度 | 時鐘輸入:RS422;時鐘速度:100kHz-2MHz | |
| 安全保護 | 反極性保護:有;短路保護:有;防雷擊防靜電保護:有 | |
| 物理性能 | 最大轉速:6000r/min | 主軸負載:徑向 200N,軸向 100N |
| 環境指標 | 防護等級:IP65或IP68;啟動力矩:< 0.01Nm | |
| 溫度范圍 | 工作溫度:-30℃…85℃(可定制-40℃…85℃);儲存溫度:-40℃…100℃ | |
| 機械強度 | 抗沖擊:1000m/s2,6ms(100g);抗振動:20g | |
| 連接/出線方式 | 連接:屏蔽電纜、M12-5/8芯、M23-12芯公頭;出線:徑向側出,軸向后出 | |
| 可選項 | 增量輸出TTL/RS422,HTL/推挽 | |
| 增量信號 | A+ A- B+ B- Z+ Z- | |
| 脈沖數 | 1到4096脈沖可選(標準為1024、2048和4096) | |
| 信號 | GND | UB | C+ | C- | D+ | D- | SET | DIR | ? |
|---|---|---|---|---|---|---|---|---|---|
| M23接插件,12針 | 1 | 2 | 3 | 4 | 5 | 6 | 7 | 8 | - |
| 接線顏色 | 白 | 棕 | 綠 | 黃 | 灰 | 粉 | 藍 | 黑 | Shield |
| 信號 | A | A- | B | B- | Z | Z- |
|---|---|---|---|---|---|---|
| M23接插件,12針 | 9 | 10 | 11 | 12 | - | - |
| 接線顏色 | 紅 | 粉灰 | 紫 | 紅藍 | - | - |
| 說明 |
1、選用M23/12芯逆時針插座時,默認只有A和B信號,可選全信號; 2、增量默認1024線。 |
|||||
| 接插件類型 | 5針 M12接插件 | 8針 M12接插件 | 12針 M23接插件 |
|---|---|---|---|
| 連接座俯視圖 |
|
||


| SA | ① | 90 | ② | - | ③ | ④ | ⑤ | - | ⑥ | - | ⑦ | ⑧ | ⑨ | - | ⑩ |
電話聯系:15050450799(微信同號)
? 昆山西威迪高科有限公司 網站地圖 蘇ICP備14036688號
蘇公網安備32058302003763號