工業精密型1米、2米、3米拉線位移傳感器
測量范圍從0….3000mm,萬能的輸出信號可選擇,可自行裝配
可選擇數字型輸出和模擬信號輸出,增量編碼器或絕對值編碼器
鋁合金材質,精密螺旋升降,自動排線,每圈行程一致,重復精度高,
防護等級最高達IP64,可完美應用與任何領域的尺寸測量和位置測量
安裝空間小,測量精度高,可靠性高,橡膠密封出繩口,使用壽命長,保養維護少,安裝方便


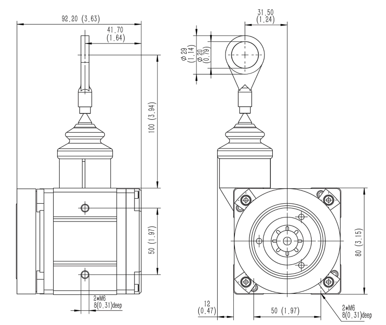
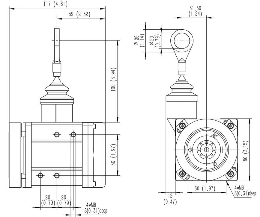
| 產品系列 | SALS80-J02M | SALS80-J03M |
|---|---|---|
| 描述 | 用于帶 6 mm 軸的伺服法蘭或 10 mm 軸夾緊法蘭的拉線測量牽引機構 | |
| 供貨范圍 | 可提供僅拉線盒機構(不含編碼器)或集成編碼器版本 | |
| 測量范圍 | 0 m … 2 m | 0 m … 3 m |
| 再現性 | ≤ 0.2 mm | |
| 線性度 | ≤ ±2 mm | |
| 滯后 | ≤ 1 mm | |
| 重量 (僅拉線盒機構) | 1.3 kg | 1.5 kg |
| 重量 (拉線繩) | 7.1 g/m | |
| 拉線繩材料 | 高柔性 316 不銹鋼拉繩 | |
| 彈簧套材料 | 鋅壓鑄件 | |
| 拉線盒外殼材料 | 鋁(陽極氧化處理)或壓鑄鋅 | |
| 拉線繩每圈長度 | 200 mm | |
| 拉線繩實際長度 | 2.2 m | 3.2 m |
| 彈簧回彈力 | 6 N … 14 N | |
| 拉線繩直徑 | 1.5 mm | |
| 拉線繩加速度 | 40 m/s2 | |
| 調節速度 | 10 m/s | |
| 分辨率說明 | 每圈拉線長度 ÷ 每圈編碼器步數 = 拉線編碼器組合分辨率 | |
| 工作環境溫度 | -30 °C … +70 °C | |
| 外殼防護等級 | IP64 | |
| 使用壽命 | 典型值 500,000 次循環 | |


電話聯系:15050450799(微信同號)
? 昆山西威迪高科有限公司 網站地圖 蘇ICP備14036688號
蘇公網安備32058302003763號